FCL型彈性套柱銷聯軸器
產品分類: 彈性套柱銷聯軸器
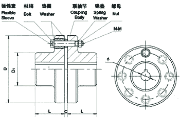
FCL型彈性套柱銷聯軸器的特點是結構簡單,安裝方便,更換容易,尺寸小,重量輕,因而得到廣泛使用,如若安裝調整后能保持兩軸相對位移量在規定的范圍內,則聯軸器會有滿意的使用性能和較
訂購熱線:15326245655
立即咨詢


FCL型彈性套柱銷聯軸器的特點是結構簡單,安裝方便,更換容易,尺寸小,重量輕,因而得到廣泛使用,如若安裝調整后能保持兩軸相對位移量在規定的范圍內,則聯軸器會有滿意的使用性能和較長的工作壽命。因此能廣泛用于載荷不大,由電動機驅動的各種中、小功率傳動軸系中,如減速機、起重機、壓縮機、輸送機、紡織機、卷揚機、球磨機等。
彈性套柱銷聯軸器的許用相對位移: 徑向位移:0.2~0.6mm 角位移:0°30′~1°30′
|
型號 |
許用轉矩 |
許用轉速 |
D |
D 1 |
d 1 |
L |
C |
n-M |
重量 |
|
FCL90 |
4 |
4000 |
90 |
35.5 |
11 |
28 |
3 |
4-M8×50 |
1.7 |
|
FCL100 |
10 |
4000 |
100 |
40 |
11 |
35.5 |
3 |
4-M10×56 |
2.3 |
|
FCL112 |
16 |
4000 |
112 |
45 |
13 |
40 |
3 |
4-M10×56 |
2.8 |
|
FCL125 |
25 |
4000 |
125 |
50 |
13 |
45 |
3 |
4-M12×64 |
4.0 |
|
FCL140 |
50 |
4000 |
140 |
63 |
13 |
50 |
3 |
6-M12×64 |
5.4 |
|
FCL160 |
110 |
4000 |
160 |
80 |
15 |
56 |
3 |
8-M12×64 |
8.0 |
|
FCL180 |
157 |
3500 |
180 |
90 |
15 |
63 |
3 |
8-M12×64 |
10.5 |
|
FCL200 |
245 |
3200 |
200 |
100 |
21 |
71 |
4 |
8-M20×85 |
16.2 |
|
FCL224 |
392 |
2850 |
224 |
112 |
21 |
80 |
4 |
8-M20×85 |
21.3 |
|
FCL220 |
618 |
2550 |
250 |
125 |
25 |
90 |
4 |
8-M24×110 |
31.6 |
|
FCL280 |
980 |
2300 |
280 |
140 |
34 |
100 |
4 |
8-M24×116 |
44.0 |
|
FCL315 |
1568 |
2050 |
315 |
160 |
41 |
112 |
4 |
10-M24×116 |
57.7 |
|
FCL355 |
2450 |
1800 |
355 |
180 |
60 |
125 |
5 |
8-M30×50 |
89.5 |
|
FCL400 |
3920 |
1600 |
400 |
200 |
60 |
125 |
5 |
10-M30×150 |
113 |
|
FCL450 |
6174 |
1400 |
450 |
224 |
65 |
140 |
5 |
12-M30×150 |
145 |
|
FCL560 |
9800 |
1150 |
560 |
250 |
85 |
160 |
5 |
14-M30×150 |
229 |
|
FCL630 |
15680 |
1000 |
630 |
280 |
95 |
180 |
5 |
18-M30×150 |
296 |
-
YLD型凸緣聯軸器
凸緣聯軸器(亦稱法蘭聯軸器)是利用螺栓聯接兩凸緣(法蘭) -
GL型滾子鏈聯軸器
曲面齒鏈輪聯軸器,鏈條聯軸器,GL型滾子鏈聯軸器,GL型滾子鏈連軸 -
LM(ML)系列梅花形彈性聯軸器
梅花形彈性聯軸器具有以下特點:花形彈性聯軸器結構簡單,徑向 -
GⅡCL型—鼓形齒式聯軸器
鼓形齒式聯軸器具有徑向、軸向和角向等軸線偏差補償能力,具


![[field:text/]](/uploads/allimg/131106/2-131106132S90-L.jpg)